Featured image of post Rangkaian Kontrol Star Delta Manual

Rangkaian Kontrol Star Delta Manual

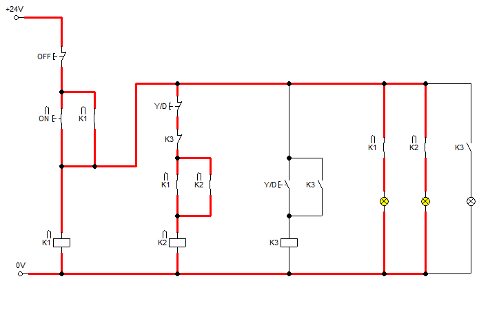
Penjelasan rangkaian star delta cara cepat memasang dan merakit star delta untuk motor 3 phase

Built with Hugo Cuy
Theme Reang Cuy v.%!(EXTRA string=2.0.1) designed by Ngopi24Jam.cuy