Featured image of post Gambar Rangkaian Star Delta Manual

Gambar Rangkaian Star Delta Manual

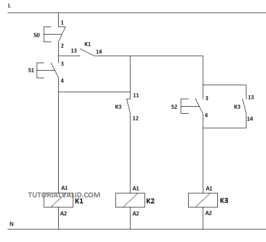
Posting kali ini agak mundur kebelakang soalnya kalau posting terdahulu yang saya bagikan yang otomatis dan yang sekarang secara manual

Built with Hugo Cuy
Theme Reang Cuy v.%!(EXTRA string=2.0.1) designed by Ngopi24Jam.cuy